КС107А

КС107А
Стабисторы КС107А кремниевые, сплавные, малой мощности.
Предназначены для применения в стабилизаторах напряжения и в качестве термокомпенсирующих элементов.
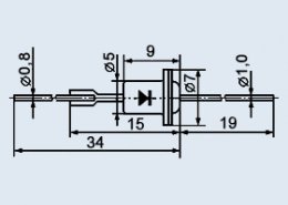
Выпускаются в металлостеклянном корпусе с гибкими выводами.
Тип стабистора приводится на корпусе.
Корпус стабистора в рабочем режиме служит отрицательным электродом (катодом).
Тип корпуса КД-8.
Масса стабистора не более 1 г.
Технические условия: аА0.336.111 ТУ.

Основные технические параметры стабилитрона КС107А:
• Номинальное напряжение стабилизации: 0.7 В при Iст 10 мА;
• Температурный коэффициент напряжения стабилизации: -0,3 %/°С;
• Минимально допустимый ток стабилизации: 1 мА;
• Максимально допустимый ток стабилизации: 100 мА;
• Рабочий интервал температуры окружающей среды: -60... +125 °С

Технические характеристики

Технические характеристики стабисторов 2С107А, КС107А:

Тип стабистора Uст. αUст. rст. Iст. Рmax Тк.max (Тп.) Т окр.
мин ном макс Iст.ном. мин макс
В В В мА %/С Ом мА мА Вт °С °С
2С107А 0,63 0,7 1,05 10 –0.34 7 1 120 0,125 125 -60… +125
КС107А 0,63 0,7 0,77 10 –0,30 7 1 100 0,125 125 -60… +125

Условные обозначения электрических параметров стабисторов:

  • Uст. - напряжение стабилизации стабистора;
  • αUст. - температурный коэффициент напряжения стабилизации стабистора;
  • rст. - дифференциальное сопротивление стабистора;
  • Iст. - ток стабилизации стабистора;
  • Рmax - рассеиваемая мощность стабистора;
  • Тк. мах - максимально-допустимая температура корпуса стабистора;
  • Тп. мах - максимально-допустимая температура перехода стабистора;
  • Т окр. - температура окружающей среды.
Назад